Modelo
CBD15
Descripción

Transpaleta motorizada de iones de litio para uso en interiores, con un tamaño similar a la transpaleta manual, ofrece un radio de giro pequeño, es súper liviana y fácil de operar.

Marca
Xilin
Traspaletas eléctricas
Compartir este equipo

Ventajas

Estándar:

  • Capacidad de la batería de litio: 24V / 20AH.
  • Mango de Ruyi con interruptor de matón.
  • Interruptor de emergencia de alta calidad (como interruptor de llave).
  • El balancín dividido hace que la tensión sea uniforme para mantener el uso prolongado.
  • Rueda motriz con motor de montaje horizontal, cómoda de mantenimiento.
  • Conector del cargador de batería externo, se puede cargar por separado incluso si la batería se ha agotado.
  • Rodillo de horquilla simple.

Opción :

  • Gran capacidad de batería: 24V / 30AH (LITIO)
  • Rodillo de entrada
  • Rodillo de doble horquilla

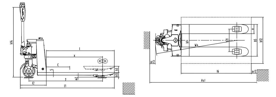
Especificaciones Técnicas

Modelo

CBD15

Capacidad de carga

Q (kg)

1500

Distancia del centro de carga

c (mm)

600

Altura de la horquilla, Bajada

h 13 (mm)

80

Tamaño del neumático, delantero

mm

ɸ210X70

Tamaño del neumático, trasero

mm

ɸ80X93 / ɸ80X70

Altura máxima de elevación

h 3 (mm)

110

Altura mínima / máxima del timón en la posición de conducción.

h 14 (mm)

635/1200

Longitud total

l 1 (mm)

1580/1650

Longitud hasta la cara de las horquillas

l 2 (mm)

430

Ancho total

B 1 (mm)

550/685

Dimensiones de la horquilla

s / e / l (mm)

53/160/1150 (1220)

Ancho total de las horquillas

b 5 (mm)

550/685

Ancho de pasillo para palets 1000x1200 transversalmente

A st (mm)

2180/2250

Ancho de pasillo para palets 800x1200 longitudinalmente

A st (mm)

2050/2085

Radio de giro

W a (mm)

1380/1450

Velocidad de desplazamiento, con / sin carga

Km / h

4.3 / 4.5

Voltaje de la batería, capacidad nominal K 5

V / Ah

24/20

Peso de la batería

Kg

5.5

Peso de servicio (con batería)

Kg

114

Imagen de soporte
Imagen de soporte
¿Interesado en este equipo?

Solicita más información

Contáctanos para obtener más detalles sobre este equipo, solicitar una cotización o agendar una demostración.