Modelo
QDD20E / QDD30E
Marca
Xilin
Tractor de remolque
Compartir este equipo

Ventajas

ESTABILIDAD:

  • Nuevo esquema de automóvil avanzado, cubierta completamente abierta, distinguido y hermoso.
  • El sistema eléctrico de CA completo tiene función de liberación de frenos, más fácil y cómodo de operar; El motor sin mantenimiento resuelve completamente el problema de las escobillas de carbón del motor de CC.
  • El nuevo instrumento de visualización de pantalla grande proporciona todo tipo de información de forma más clara y directa para el operador.
  • Nuevo diseño de dirección abierto de alto rango, ligero en la dirección y fácil de mantener.
  • El freno de estacionamiento adopta un freno electromagnético. Bloquea el camión automáticamente después de estacionarlo, lo que evita el peligro de deslizamiento del camión causado por olvidarse de usar el freno de mano.
  • Batería lateral (opcional).

OPCIÓN:

  • Asiento con OPS (sistema de presencia del operador)
  • Lámpara de trabajo LED frontal
  • Luz azul
  • Batería de iones de litio
  • Espejos traseros

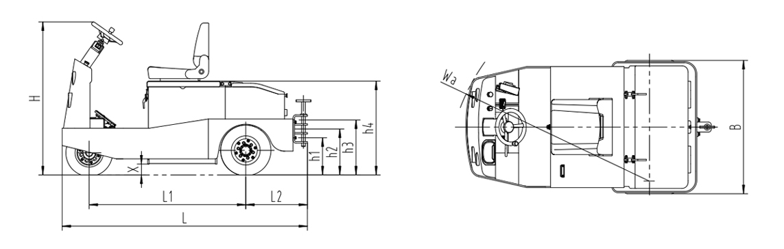
Especificaciones Técnicas

Modelo QDD20E (CA) QDD30E (CA)
Tipo de conducir batería batería
Peso de tracción nominal (60 minutos nominal) kg 2000 3000
Altura del centro de la barra de tiro h1 / h2 (mm) 280/350 280/350
Peso kg 740 780
Carga por eje, delantero kg 300 310
Carga por eje, trasero kg 440 470
Número de neumático delantero / trasero X = ruedas motrices 1 / 2x 1 / 2x
Tamaño del neumático, delantero caucho macizo 15 * 4½-8 15 * 4½-8
Tamaño del neumático, trasero caucho macizo 15 * 4½-8 15 * 4½-8
Base de rueda L1 (mm) 1055 1055
Distancia de suspensión trasera L2 (mm) 382 382
Altura del asiento h3 (mm) 910 910
Longitud total L (mm) 1720 1720
Ancho total w (mm) 968 968
Altura total Mmm) 1270 1270
Altura mínima del suelo x (mm) 90 90
Radio de giro mínimo wa (mm) 1500 1500
Velocidad de desplazamiento (cargada / descargada) km / h 7/10 6.5
Máxima capacidad de subida (cargado / sin carga) 12/7 12/7
Voltaje de la batería, capacidad nominal K5 V / Ah 36/200 36/250
Peso de la batería kg 200 250
Perno de tracción Perno de tracción Perno de tracción
Imagen de soporte
Imagen de soporte
Imagen de soporte
¿Interesado en este equipo?

Solicita más información

Contáctanos para obtener más detalles sobre este equipo, solicitar una cotización o agendar una demostración.