Modelo
QDD
Marca
Xilin
Tractor de remolque
Compartir este equipo

Ventajas

ESTABILIDAD:

  • Nuevo esquema de automóvil avanzado, cubierta completamente abierta, distinguida y hermosa.
  • El sistema eléctrico de CA completo tiene función de liberación de frenos, más fácil y cómodo de operar; El motor sin mantenimiento resuelve completamente el problema de las escobillas de carbón del motor de CC.
  • El nuevo instrumento de visualización de pantalla grande proporciona todo tipo de información de forma más clara y directa para el operador.
  • Nuevo diseño de dirección abierto de alto rango, ligero en la dirección y fácil de mantener.
  • El freno de estacionamiento adopta un freno electromagnético. Bloquea la carretilla automáticamente después de aparcar, lo que evita el peligro de deslizamiento de la carretilla provocado por olvidarse de utilizar el freno de mano.
  • Batería lateral (opcional).

OPCIÓN:

  • Asiento con OPS (sistema de presencia del operador)
  • Lámpara de trabajo LED frontal
  • Luz azul
  • Sistema de alimentación de CA
  • Espejos traseros

  • El diseño del eje tipo "H" proporciona una buena estabilidad.

  • Baterías ubicadas en la parte más baja del marco, el centro de gravedad bajo asegura una excelente estabilidad.
  • Pantalla multifunción: estado de la batería, contador de horas, código de error, etc.
  • La aplicación del freno de mano y el freno hidráulico mejoran el nivel de seguridad.
  • Cubierta trasera de fácil apertura para abrir para el mantenimiento y reemplazo de piezas como la rueda motriz, el tubo de aceite, el acelerador, el controlador, etc.

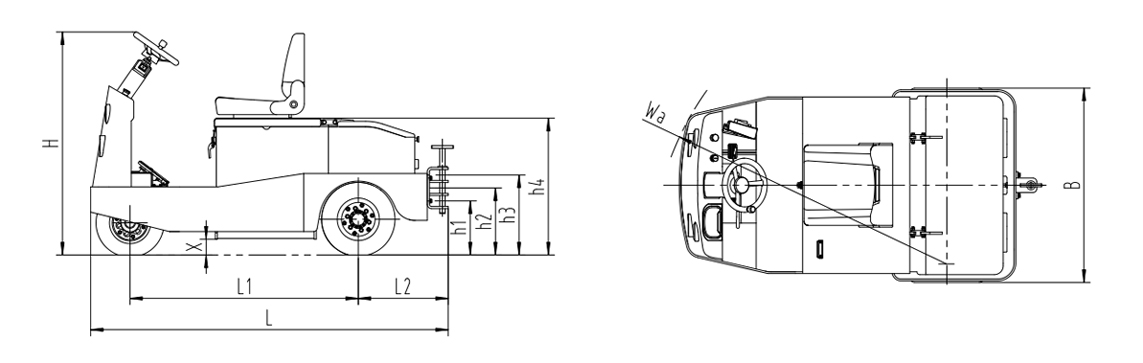
Especificaciones Técnicas

Modeloo QDD20 QDD30 QDD50 QDD60 QDD100
Tipo de unidad batería batería batería batería batería
Peso de tracción nominal (60 minutos nominal) kg 2000 3000 5000 6000 10000
Altura del centro de la barra de tiro h1 / h2 (mm) 280/350 280/350 280/350 280/350 320/400
Peso kg 930 980 1160 1280 2180
Carga del eje, delantero kg 330 350 410 450 750
Carga por eje, trasero kg 600 630 750 830 1440
Número de neumático delantero / trasero X = ruedas motrices 1 / 2X 1 / 2X 1 / 2X 1 / 2X 2 / 2X
Tamaño del neumático delantero caucho macizo 15 * 4½-8 15 * 4½-8 15 * 4½-8 15 * 4½-8 5.00-8-10PR
Tamaño del neumático, trasero caucho macizo 15 * 4½-8 15 * 4½-8 4.00-8 4.00-8 6.50-10-12PR
Base de rueda L1 (mm) 1170 1170 1280 1280 1300
Distancia de suspensión trasera L2 (mm) 350 350 500 500 700
Altura del asiento L3 (mm) 850 850 910 910 1050
Longitud total L (mm) 1720 1720 1975 1975 2485
Ancho total Ancho (mm) 970 970 1100 1100 1160
Altura total mmm) 1250 1250 1250 1250 1480
Min. altura del suelo X (mm) 90 90 90 90 138
Min. radio de giro wa (mm) 1520 1520 1650 1650 2200
Velocidad de viaje (cargada / descargada) km / h 8 7 8 7 6.5
Max. pendiente ascendente (cargado / descargado) 15/6 15/6 15/6 15/6 15/6
Voltaje de la batería, capacidad nominal K5 V / Ah 48/240 48/270 48/360 48/400 48/540
Peso de la batería kg 350 400 530 610 950
Perno de tracción Perno de tracción Perno de tracción Perno de tracción Perno de tracción Perno de tracción
Imagen de soporte
Imagen de soporte
¿Interesado en este equipo?

Solicita más información

Contáctanos para obtener más detalles sobre este equipo, solicitar una cotización o agendar una demostración.