Modelo
SDJ500 / SDJ1000 SDJ1500
Marca
Xilin
Apilador manual
Compartir este equipo

Ventajas

  • Diseño compacto para pallet europeo 550/580 mm x 1100/1150mm.
  • Mástil de acero de alta calidad y construcción de acero resistente que garantizan rigidez y durabilidad.
  • Las horquillas soldadas ofrecen una solución de bajo costo.
  • Las bombas de alta eficiencia facilitan la operación del control.
  • La función de elevación controlada con el pie y la mano permite al operador trabajar sin tener que realizar movimientos corporales extremos.
  • La rejilla metálica protege al usuario de las cadenas de elevación.
  • Con protector de rueda de seguridad y sistema de freno para garantizar la seguridad durante el funcionamiento.

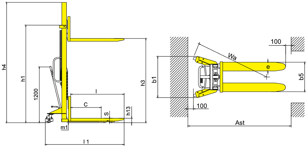
Especificaciones Técnicas

Modelo SDJ500 SDJ1000 SDJ1500
Capacidad de carga / carga nominal Q (kg) 500 1000 1500
Distancia del centro de carga c (mm) 600 600 400
Altura de la horquilla, bajada h13 (mm) 90 90 90
Altura, mástil bajado h1 (mm) 1490/2080 1490/1720/2080/1838/2080 2080
Altura máxima de elevación h3 (mm) 1000/1600 1000/1200/1600/2500/3000 1600
Altura, mástil extendido h4 (mm) 1490/2080 1490/1720/2080/2925/3420 2080
Longitud total l1 (mm) 1655/1705 1655/1705 1655/1705
Ancho promedio b1 (mm) 755 755/755/755/860/860 755
Dimensiones de la horquilla s / e / l (mm) 61/170/1150 61/170/1150 61/170/1150
Ancho total de las horquillas b5 (mm) 550 550/550/550/580/580 550
Distancia al suelo, cargada, debajo del mástil m1 (mm) 25 25 25
Ancho de pasillo para palets 1000x1200 transversalmente Ast (mm) 2112 2112 2112
Ancho de pasillo para palets 800x1200 longitudinalmente Ast (mm) 1945 1945 1945
Radio de giro Wa (mm) 1380 1380 1380
Velocidad de elevación, cargada / descargada mm / tiempo 25 25 25
Velocidad de descenso, cargada / descargada mm / s Control manual Control manual Control manual
Peso de servicio kg 185/213 190/198/214/292/305 239
Imagen de soporte
¿Interesado en este equipo?

Solicita más información

Contáctanos para obtener más detalles sobre este equipo, solicitar una cotización o agendar una demostración.