Modelo
CDD10R-E / CDD12R-E / CDD15R-E
Descripción

El apilador eléctrico walkie superligero con un radio de giro pequeño se utiliza ampliamente en almacenes pequeños y supermercados. Adecuado para apilamiento de bajo nivel y transporte de corta distancia.

Marca
Xilin
Apiladores eléctricos
Compartir este equipo

Ventajas

  • La contraportada tiene un diseño de tipo integrado, fácil de montar y mantener.
  • La unidad de accionamiento tiene un radio de giro pequeño, el motor y el freno son muy fáciles de reemplazar.
  • Use batería GEL gratis para mantener.
  • El diseño compacto y las pequeñas dimensiones ofrecen una excelente visibilidad.
  • Cargador integrado de fácil acceso a la fuente de alimentación.
  • El radio de giro y el ancho del pasillo es muy pequeño y es similar al apilador manual.
  • El diseño de baja gravedad y el diseño de 4 puntos mejoran la estabilidad de los camiones.

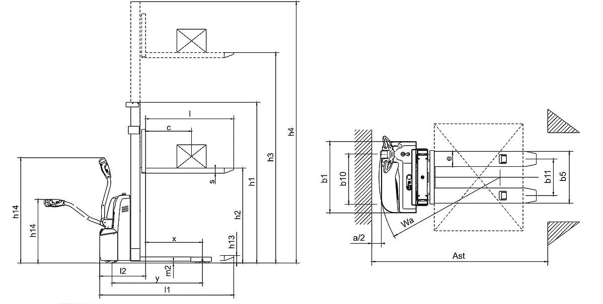
Especificaciones Técnicas

Modelo CDD10R-E CDD12R-E CDD15R-E
Capacidad de carga Q (kg) 1000 1200 1500
Distancia del centro de carga c (mm) 600 600 600
Distancia de carga, centro del eje motriz a la horquilla x (mm) 741 741 741
Altura, bajado h13 (mm) 90 90 90
Tamaño del neumático delantero φ195 × 70 φ195 × 70 φ195 × 70
Tamaño del neumático trasero φ80 × 70 φ80 × 70 φ80 × 70
Ruedas adicionales (dimensiones) φ150 × 60 φ150 × 60 φ150 × 60
Número de ruedas delanteras traseras (x = ruedas motrices) 1x 1/4 1x 1/4 1x 1/4
Altura, mástil bajado h1 (mm) 2090/1840/2090/2200/2340 2090/1840/2090/2200/2340 2085/1835/2085
Altura máxima de elevación h3 (mm) 1600/2500/3000/3300/3500 1600/2500/3000/3300/3500 1600/2500/3000
Altura, mástil extendido h4 (mm) 2090/3060/3560/3860/4060 2090/3060/3560/3860/4060 2090/3060/3560
Altura mínima / máxima del timón en posición de conducción h14 (mm) 670/1300 670/1300 670/1300
Longitud total l1 (mm) 1748 (1668) 1748 (1668) 1748 (1668)
Longitud hasta la cara de las horquillas l2 (mm) 598 598 598
Ancho total b1 (mm) 800 800 800
Dimensiones de la horquilla s / e / l (mm) 60/170/1150 (1070) 60/170/1150 (1070) 60/170/1150 (1070)
Ancho total de las horquillas b5 (mm) 570/695 570/695 570/695
Distancia al suelo, centro de la distancia entre ejes m2 (mm) 26 26 26
Ancho de pasillo para palets 1000x1200 transversalmente Ast (mm) 2218 2218 2212
Ancho de pasillo para palets 800x1200 longitudinalmente Ast (mm) 2173 2173 2171
Radio de giro Wa (mm) 1365 1365 1355
Velocidad de desplazamiento, con / sin carga Km / h 4.5 / 5 4.5 / 5 4.5 / 5
Velocidad de elevación, cargada / descargada m/s 0,11 / 0,14 0.09 / 0.14 0.08 / 0.11
Velocidad de descenso, cargada / descargada m/s 0,12 / 0,10 0,12 / 0,10 0,12 / 0,10
Voltaje de la batería, capacidad nominal K20 V / Ah 24/105 (125) 24/105 (125) 24/125
Peso de la batería kg 52 (70) 52 (70) 70
Dimensiones de la batería l / w / h mm 260 (330) x168 (171) x217 260 (330) x168 (171) x217 330x171x217
Peso de servicio (con batería) kg 460/525/545/560/565 615/640/660/675/680 705/730/750/765/770
Imagen de soporte
Imagen de soporte
¿Interesado en este equipo?

Solicita más información

Contáctanos para obtener más detalles sobre este equipo, solicitar una cotización o agendar una demostración.