Modelo
CTD10R-E / CTD12R-E / CTD15R-E
Descripción

El apilador eléctrico superligero con radio de giro pequeño que se utiliza ampliamente en almacenes pequeños y supermercados. Adecuado para apilamiento de bajo nivel y transporte de corta distancia.

Marca
Xilin
Apiladores eléctricos
Compartir este equipo

Ventajas

  • La contraportada tiene un diseño de tipo integrado, fácil de montar y mantener.
  • Use batería GEL gratis para mantener.
  • Cargador integrado de fácil acceso a la fuente de alimentación.
  • El diseño de baja gravedad y el diseño de 4 puntos mejoran la estabilidad de los camiones.
  • La unidad de accionamiento tiene un radio de giro pequeño, el motor y el freno son muy fáciles de reemplazar.
  • El diseño compacto y las pequeñas dimensiones ofrecen una excelente visibilidad.
  • El radio de giro y el ancho del pasillo es muy pequeño y es similar al apilador manual.

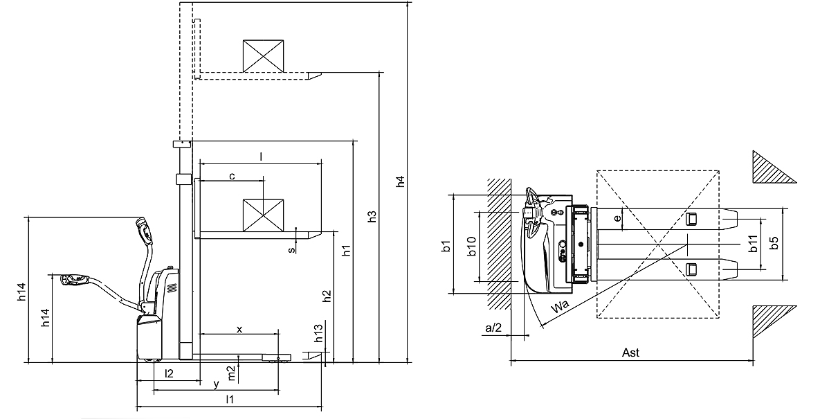
Especificaciones Técnicas

Modelo CTD10R-E CTD12R-E CTD15R-E
Capacidad de carga Q (kg) 1000 1200 1500
Distancia del centro de carga c (mm) 600 600 600
Distancia de carga, centro del eje motriz a la horquilla x (mm) 770 770 770
Altura, bajado h13 (mm) 80 80 80
Tamaño del neumático, delantero φ195 × 70 φ195 × 70 φ195 × 70
Tamaño del neumático trasero φ98 × 82 φ98 × 82 φ98 × 82
Ruedas adicionales (dimensiones) φ150 × 60 φ150 × 60 φ150 × 60
Número de ruedas delanteras traseras (x = ruedas motrices) 1x 1/4 1x 1/4 1x 1/4
Altura, mástil bajado h1 (mm) 2145/1895/2145 2145/1895/2145 2140/1890/2140
Altura máxima de elevación h3 (mm) 1600/2500/3000 1600/2500/3000 1600/2500/3000
Altura, mástil extendido h4 (mm) 2145/3100/3600 2145/3100/3600 2145/3100/3600
Altura mínima / máxima del timón en posición de conducción h14 (mm) 670/1300 670/1300 670/1300
Longitud total l1 (mm) 1500 1500 1500
Longitud hasta la cara de las horquillas l2 (mm) 660 660 660
Ancho total b1 (mm) 1132-1532 1132-1532 1132-1532
Dimensiones de la horquilla s / e / l (mm) 35/100/1070 (1150) 35/100/1070 (1150) 35/100/1070 (1150)
Ancho total de las horquillas b5 (mm) 200-800 200-800 200-800
Distancia al suelo, centro de la distancia entre ejes m2 (mm) 35 35 35
Ancho de pasillo para palets 1000x1200 transversalmente Ast (mm) 2280 2280 2280
Ancho de pasillo para palets 800x1200 longitudinalmente Ast (mm) 2280 2280 2280
Radio de giro Wa (mm) 1490 1490 1490
Velocidad de desplazamiento, con / sin carga Km / h 4.5 / 5 4.5 / 5 4.5 / 5
Velocidad de elevación, cargada / descargada m/s 0.09 / 0.14 0.09 / 0.14 0.08 / 0.11
Velocidad de descenso, cargada / descargada m/s 0,12 / 0,10 0,12 / 0,10 0,12 / 0,10
Voltaje de la batería, capacidad nominal K20 V / Ah 24/105 (125) 24/105 (125) 24/125
Peso de la batería kg 52 (70) 52 (70) 70
Dimensiones de la batería l / w / h mm 260 (330) x168 (171) x217 260 (330) x168 (171) x217 330x171x217
Peso de servicio (con batería) kg 490/555/575 490/555/575 580/645/665
Imagen de soporte
Imagen de soporte
¿Interesado en este equipo?

Solicita más información

Contáctanos para obtener más detalles sobre este equipo, solicitar una cotización o agendar una demostración.